Categorías
Estimado cliente: Una vez su compra sea procesada con Boleta o Factura, la confirmación de retiro o envío se gestionará dentro de las siguientes 24-48 horas hábiles en Santiago.
¿Hay algún producto que no está disponible? ¡Envía un correo a [email protected] y te lo conseguimos!
¡Disfruta de la nueva experencia renovada del sitio web de ASC Parts Chile! Si hay algo que no se muestra como debería, favor enviar un correo o comentario a [email protected]
¡Envíos disponibles a todo Chile mediante el servicio de Starken!
Resumen del pedido
Tu carro está vacío.
Productos
0
$0 CLP
Envío
$0 CLP
Total
$0 CLP
- Inicio
- Impresión
- Repuestos Impresora
- Otros repuestos impresora
- Left Drum Lock Arm R RC1-1169
|
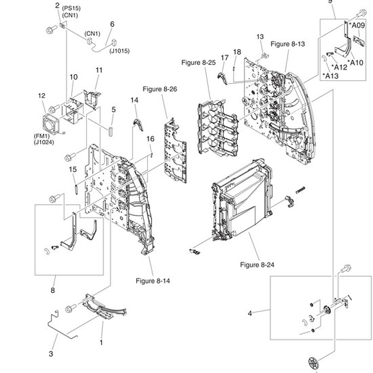
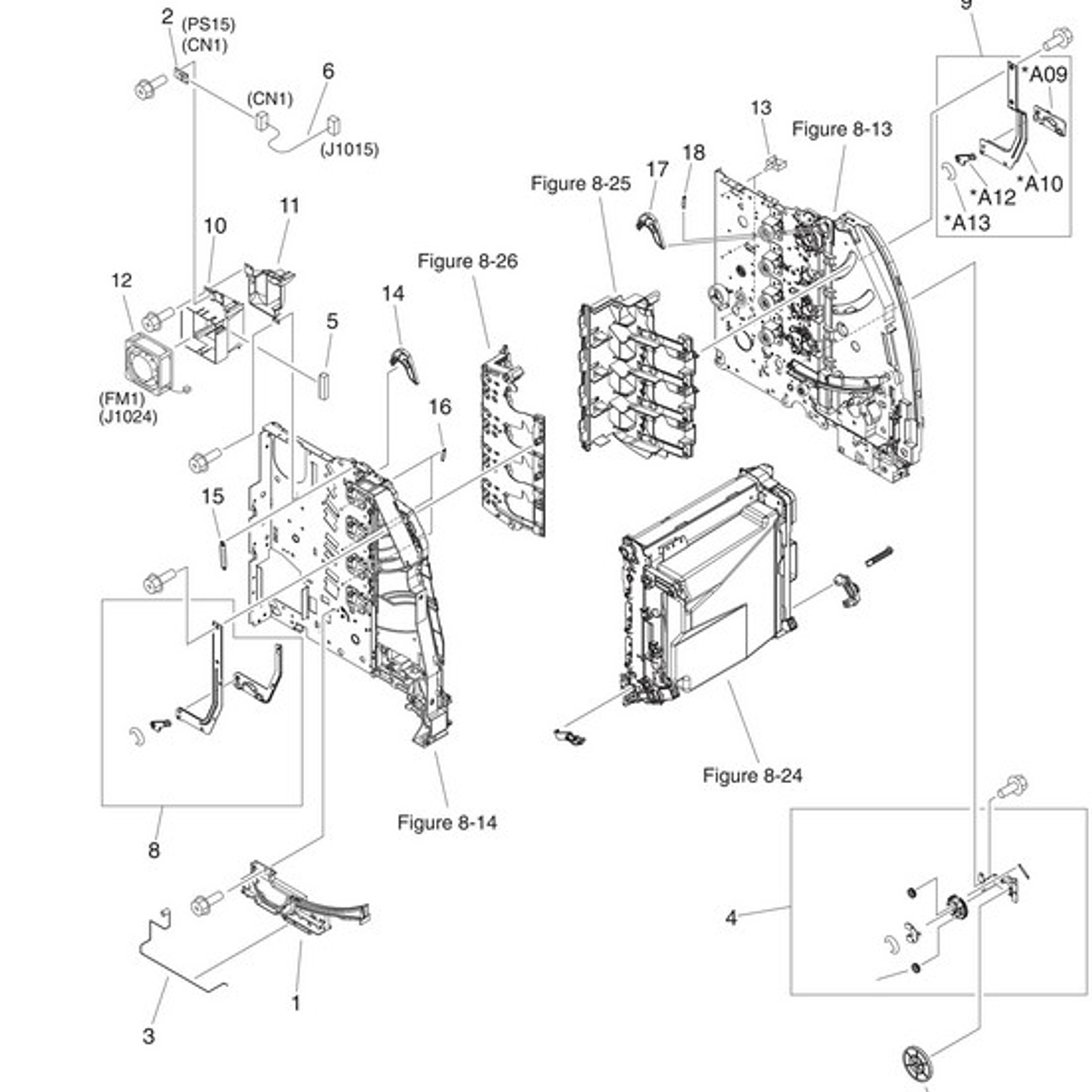
Left Drum Lock Arm R RC1-1169
Compartir este producto
Revisa las condiciones de despacho según dónde vives en en siguiente enlace.
Más información
Descripción
Descripción: Left Drum Lock Arm Rc1-1169
Marca: HP
Número De Parte: Rc1-1169
Compatibilidades: Lj 3350 / 3500 / 3550 / 3700 Color
Números de Parte Alternativos: Rc1-1169-000Cn
Marca: HP
Número De Parte: Rc1-1169
Compatibilidades: Lj 3350 / 3500 / 3550 / 3700 Color
Números de Parte Alternativos: Rc1-1169-000Cn
Detalles
SKU:
AS41228